| 注意:访问本站需要Cookie和JavaScript支持!请设置您的浏览器! • 打开购物车 • 查看留言 • 付款方式 • 联系我们 |
![]() |
| 首页 | 电子入门 | 学单片机 | 免费资源 | 下载中心 | 商品列表 | 象棋在线 | 在线绘图 | 加盟五一 | 加入收藏 | 设为首页 |
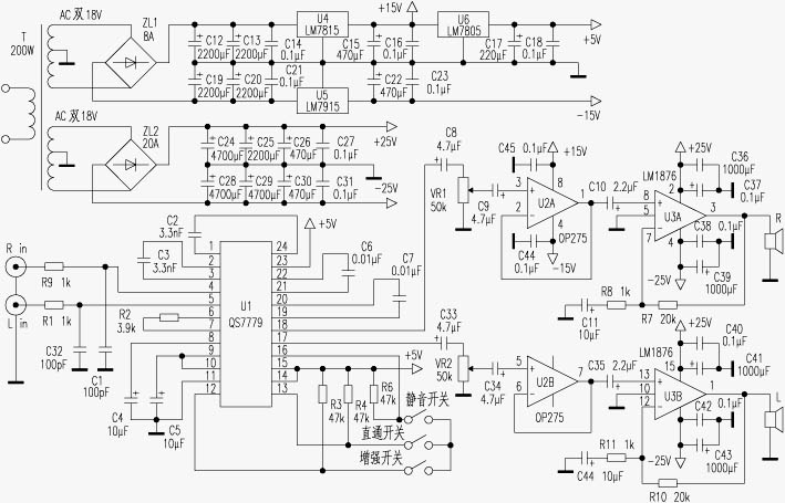
| 选择分类:当前分类——小说笑话 相关联或者相类似的文章: 用万用表测可控硅(197) 100W纯直流高保真功放(196) 微型PIC16F84编程器的制作(195) “永动摆”演示电路(195) 用运放驱动的高性能功放(194) 电视机改制音频示波器(转载,英文)(192) 从内部寻找人才(190) 用89C2051制作八路断线数显报警器(188) 电子实验板放大图片!我请人拍的照(185) 感抗与容抗计算器(182) 实验直流日光灯电路(182) 判别红外接收头引脚方法(178) Hi-Fi配音控制放大器制作(176) 制作无线鼠标(175) 单片机七彩心形流水灯套件(172) 自制PIC16F84单片机学习套件(170) 具有识别功能的电子门铃(169) 用与非门制作的电子蜡烛(168) 制作LED灯的应知事项(168) 淘宝上的生意真难做,再见吧,淘宝!(166) 首页 前页 后页 尾页 本站推荐: | 多媒体Hi-Fi功放DIY 2003年,第5期,类别:专业音响 近年来,随着PC机的普及和DVD-ROM的价格下降,用PC机听音乐看影碟已成一种享受。其次是“金耳朵”和“银耳朵”的大量涌现,对PC机的音质要求越来越高。但对于动辄上千的高档有源系统,囊中“羞涩”的我们只能望而却步。于是笔者DIY了一套在PC上听Hi-Fi音乐的多媒体有源功放。 1、 本站不保证以上观点正确,就算是本站原创作品,本站也不保证内容正确。 2、如果您拥有本文版权,并且不想在本站转载,请书面通知本站立即删除并且向您公开道歉! |
|
本站协议 |
版权信息 |
关于我们 |
本站地图 |
营业执照 |
发票说明 |
付款方式 |
联系方式
深圳市宝安区西乡五壹电子商行——粤ICP备16073394号-1;地址:深圳西乡河西四坊183号;邮编:518102 E-mail:51dz$163.com($改为@);Tel:(0755)27947428 工作时间:9:30-12:00和13:30-17:30和18:30-20:30,无人接听时可以再打手机13537585389 |