注意:访问本站需要Cookie和JavaScript支持!请设置您的浏览器! 打开购物车 查看留言付款方式联系我们
初中电子 单片机教材一 单片机教材二
搜索上次看见的商品或文章:
商品名、介绍 文章名、内容
首页 电子入门 学单片机 免费资源 下载中心 商品列表 象棋在线 在线绘图 加盟五一 加入收藏 设为首页
本站推荐:
连续可调的正负对称的稳压电源
文章长度[744] 加入时间[2006/7/1] 更新时间[2026/4/17 10:55:45] 级别[3] [评论] [收藏]


2003年,第11期,类别:电子技校


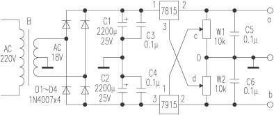
    一般的双电源(正负对称电源)都没有连续可调的功能,给使用带来不便。本文介绍用一块7815和一块7915三端稳压器对称连接,即可获得一组正负对称的稳压电源,而且输出电压值可各自单独调节,也可同步调节。
    电路如附图所示,由变压器输出的交流双18V电压经D1~D4整流,C1、C2滤波得到一直流电压,其中变压器双电源的中心抽头作为公共接地端,然后分别把该直流电压正负极接入7815的①脚和7915的③脚。7815的③脚接到电位器W2的滑动触片“d”上,7915的①脚接到电位器W1的滑动触片“C”上。当将触片“C”滑到“0”端接地时,调节W2,即可从“a”端得到“+6~+15V”的正向可变电压;若将触片“d”滑到“0”端接地,调节W1,在“b”端就可得到“-6~-15V”的负向可变电压,将W1、W2换成同轴电位器,将获得正负对称的可调电源,输出电压值在±6V~±15V之间连续可调,可达到同步调节的目的。
    本电路的7815、7915三端稳压块上应加装散热片,变压器功率视用电器功率而定。

                                    浙江  钟武军



 

1、 本站不保证以上观点正确,就算是本站原创作品,本站也不保证内容正确。
2、如果您拥有本文版权,并且不想在本站转载,请书面通知本站立即删除并且向您公开道歉! 以上可能是本站收集或者转载的文章,本站可能没有文章中的元件或产品,如果您需要类似的商品请 点这里查看商品列表!
本站协议 | 版权信息 |  关于我们 |  本站地图 |  营业执照 |  发票说明 |  付款方式 |  联系方式
深圳市宝安区西乡五壹电子商行——粤ICP备16073394号-1;地址:深圳西乡河西四坊183号;邮编:518102
E-mail:51dz$163.com($改为@);Tel:(0755)27947428
工作时间:9:30-12:00和13:30-17:30和18:30-20:30,无人接听时可以再打手机13537585389