| 注意:访问本站需要Cookie和JavaScript支持!请设置您的浏览器! • 打开购物车 • 查看留言 • 付款方式 • 联系我们 |
![]() |
| 首页 | 电子入门 | 学单片机 | 免费资源 | 下载中心 | 商品列表 | 象棋在线 | 在线绘图 | 加盟五一 | 加入收藏 | 设为首页 |
| 选择分类:当前分类——电子入门 相关联或者相类似的文章: 免费抄版软件——文字或图片转PCB文件(31341) 节能灯套件制作说明(9999) USB充电器套件制作说明(3141) 交、直流电大揭秘---通俗理解法(2597) 常用集成电路功能列表(2086) 电子基础知识--电阻篇(1748) 什么是压敏电阻?(1644) 什么是电平?(1644) 什么是“压敏电阻”(1644) [原创]最新智能色环电阻识别程序(1517) 整流电路详解 (1381) 本站免费资料的网址(1329) 爱好捕鱼的朋友千万别错过!(我的电鱼机制作经历)(1322) 测电阻法(1279) 电子基础知识--电感(1239) 充满电磁波的天空 (1194) 识别色环电阻的阻值...(1141) 了解隔离变压器(1116) 电烙铁的妙用(1109) 麻烦的USB硬盘和延长线(电子知识)(1105) 首页 前页 后页 尾页 本站推荐: | 射极耦合双稳态电路
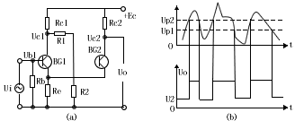
为使BG2可靠地饱和,RB应选得较大,通常取IRB=(0.2-1)I ![]() 图3、射极耦合双稳态的设计电路 1、 本站不保证以上观点正确,就算是本站原创作品,本站也不保证内容正确。 2、如果您拥有本文版权,并且不想在本站转载,请书面通知本站立即删除并且向您公开道歉! | |||||||||||||||||||||||||||||||||
|
本站协议 |
版权信息 |
关于我们 |
本站地图 |
营业执照 |
发票说明 |
付款方式 |
联系方式
深圳市宝安区西乡五壹电子商行——粤ICP备16073394号-1;地址:深圳西乡河西四坊183号;邮编:518102 E-mail:51dz$163.com($改为@);Tel:(0755)27947428 工作时间:9:30-12:00和13:30-17:30和18:30-20:30,无人接听时可以再打手机13537585389 |