注意:访问本站需要Cookie和JavaScript支持!请设置您的浏览器! 打开购物车 查看留言付款方式联系我们
初中电子 单片机教材一 单片机教材二
搜索上次看见的商品或文章:
商品名、介绍 文章名、内容
首页 电子入门 学单片机 免费资源 下载中心 商品列表 象棋在线 在线绘图 加盟五一 加入收藏 设为首页
本站推荐:
适合万用表使用的直流升压器
文章长度[1927] 加入时间[2007/2/2] 更新时间[2026/5/15 11:32:44] 级别[0] [评论] [收藏]

适合万用表使用的直流升压器


万用表是从事电工、电子技术工作者的必备工具,它的高阻挡通常使用一块9V、15A或22.5V的叠层电池。这种电池不但价格较高,而且寿命短,经常更换很不经济。这里介绍几款适合万用表使用的小型直流升压器电路,这些电路结构简单、元件少,改装后可将电路板直接置于万用表中叠层电池的位置替代使用。
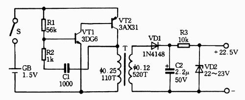
如图所示是一种输出电压可达22.5 V的直流升压器电路,可用来代替22.5 V的叠层电池。
它利用万用表中的一节1.5V电池供电,工作电流为25mA,输出电流约为0.5mA,用于万用表的高阻挡足够富裕。电路中VT1与VT2组成互补多谐振荡器,它的振荡频率约为2kHz。T是升压变压器,初级就是互补多谐振荡器的负载,次级为升压绕组,输出一个较高的脉冲电压。该电压经过二极管VD1和电容C2整流滤波后成为直流高压,再经过电阻R3与稳压管VD2稳压后可输出一个较稳定的高电压。


电路中变压器T可用晶体管收音机用的502型音频输出变压器,次级作为升压变压器的初级,初级中间的抽头不用,两端抽头作为升压变压器的次级。如果找不到合适的变压器,也可以用收音机输人输出变压器的硅钢片自制,初级用直径为0.25mm的高强度漆包线绕110匝,次级用直径0.21mm的高强度漆包线绕520匝。初次级间要加一层绝缘纸,并注意初次级线圈的同名端。
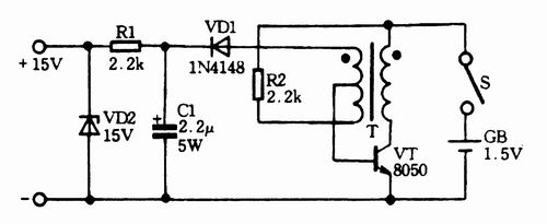
如图所示是一种构造很简单的小型直流升压器,可用来取代15V的叠层电池。电路的核心元件一变压器T使用的是袖珍验钞器的专用变压器。电路耗电约40mA,输出电压为15V。如果万用表15V电池的正极与1.5V电池的负极相接,只需将图7—70中VD1(C1、VDZ的极性调过来,这样将输出一个-15V电压。


如图所示是一种稳压型直流升压电路。该电路可将一节1.5V的电池升压至9V,用来取代9V叠层电池使用。电路空载输人电流低于1.2mA,转换效率高达60%。该电路由振荡电路和稳压电路构成,其中VT1、VT2、C2组成振荡器,色码电感L为储能电感,VD2为整流二极管,C3为输出滤波电容,VT3、VD1、VD3及R2为稳定输出电压的稳压电路。输出电压约等于VD3的稳压值。


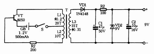
如图所示是一种利用1.2V、500mAh的镍镉电池做电源的逆变电源电路,输出直流电压为9V,可供数字式万用表使用。图7-72中变压器T利用15mm的磁环穿绕而成(元器件参数图中均已标注人名为数字万用表的电源开关。


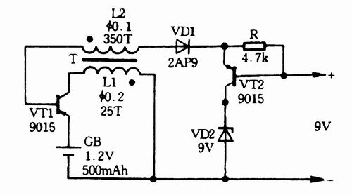
如图所示是自控式数字表逆变电源电路。它不需要单独设立电源开关或对表内开关进行改造。该电路具有耗电省、稳定可靠、不影响仪表精度等特点。电路中的变压器T是用E3型铁氧体磁芯、各折去一角后加工成口字形,L2在内,L1在外。整个逆变电源工作时,电池工作电流约为70mA。

1、 本站不保证以上观点正确,就算是本站原创作品,本站也不保证内容正确。
2、如果您拥有本文版权,并且不想在本站转载,请书面通知本站立即删除并且向您公开道歉! 以上可能是本站收集或者转载的文章,本站可能没有文章中的元件或产品,如果您需要类似的商品请 点这里查看商品列表!
本站协议 | 版权信息 |  关于我们 |  本站地图 |  营业执照 |  发票说明 |  付款方式 |  联系方式
深圳市宝安区西乡五壹电子商行——粤ICP备16073394号-1;地址:深圳西乡河西四坊183号;邮编:518102
E-mail:51dz$163.com($改为@);Tel:(0755)27947428
工作时间:9:30-12:00和13:30-17:30和18:30-20:30,无人接听时可以再打手机13537585389