注意:访问本站需要Cookie和JavaScript支持!请设置您的浏览器! 打开购物车 查看留言付款方式联系我们
初中电子 单片机教材一 单片机教材二
搜索上次看见的商品或文章:
商品名、介绍 文章名、内容
首页 电子入门 学单片机 免费资源 下载中心 商品列表 象棋在线 在线绘图 加盟五一 加入收藏 设为首页
本站推荐:
mini-2单片机学习开发板散件
文章长度[1967] 加入时间[2006/7/1] 更新时间[2026/5/13 15:40:15] 级别[3] [评论] [收藏]
mini-2单片机学习开发板配的是散件,需自己组装的,包含印刷电路板,板上的所有元件,STC89C52芯片,含资料及软件,如果大家有一定的基础的话,应该是一次性安装成功,安装好的实物如下图所示:安装好后大家就可以学习,实验,开发单片机产品了。(若没有时间组装的朋友可以购买本站成品,不过成品要贵15元。因为本站极力推荐大家自已动手,学习就是一个动手的过程,只有在不断的操作练习过程中,大家就自然而然的学到你想学和不想学的知识和技能,记忆并且深刻。哪怕多年以后,就算你不从事此工作,在某一处看到相关产品的时候,你都会记忆犹新。学习单片机理论+实践=能力。)

无能你有没有电子基础只要你想学,就可以直接买本套件动手操练起来,本板配的基本元件都是插件元件,相对于贴片元件体积大,容易识别,容易焊接。如果你实在没有时间安装直接购买本站的成品,链接上架中·····

该板可以对STC89C51、STC89C52、AT89C51、AT89C52、AT89S51等芯片作实验开发,配上40脚转20脚插座也可对STC12C1052、STC12C2052、AT89C1051、AT89C2051、AT89C4051等芯片作实验开发。可以对常用的STC89C51、STC89C52、STC12C1052、STC12C2052等STC系列单片机进行编程

实物图

 

功能介绍

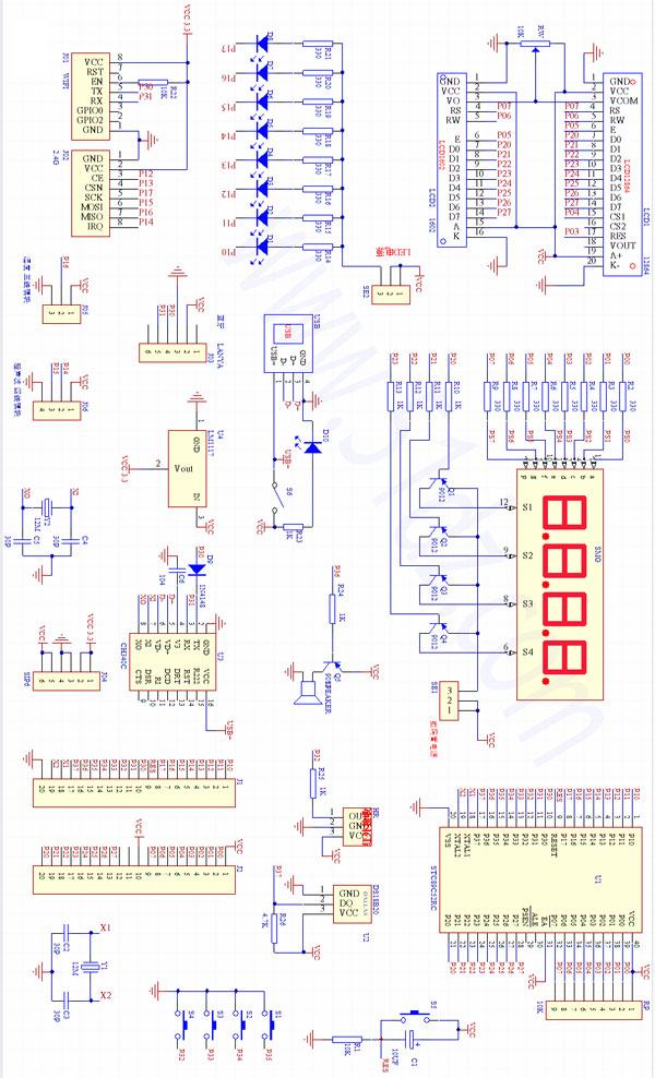
电路原理和原理图  

P0口

学单片机是一项非常重视动手实践的,不能总是看书,但是学习它首先必须得看书,因为从书中你需要大概了解一下,单片机的各个功能寄存器,说明白点,我们使用单片机就是用软件去控制单片机的各个功能寄存器,再说明白点,就是控制单片机那些管脚的电平什么时候输出高,什么时候输出低。而由这些高低电平的变化来控制由单片机为核心的系统板。从而实现我们需要的各个功能。对于看书,我们只需大概看看了解一个单片机各个管脚都是干什么的?都有什么样的功能,能实现什么样的功能?其实第一次,第二次你可能都看不明白,但这不要紧,因为你没有和实际的物体建立起来这样一种互通的观念,所以我总是说,学单片机看书看两三天的时间就够了,看小说你一天能看五六本,看单片机你两三天看两三边就够了,而且可以不用很仔细的看。大概了解一下书上的内容后,就开始做实践,这是非常关键的,如果说学单片机你不做实践那是不可能学会的,关于做实践有两种方法你可以选择,一种方法:你自己花钱买一块单片机的学习板,不要求功能太全的,对于初学者来说你买功能非常多的那种板子,上面有很多东西你这辈子都用不着,我建议有流水灯,有数码管,有按键,有蜂鸣器,这就差不多了,如果上面我提到的这些东西你能让它都熟练工作了,那可以说对于单片机方面的硬件你已经入门了,再剩下的就是自己练习设计其它电路,这需要你练习,不断的积累经验,只要过了第一关,后面的路就好走多了,万事开头难,大家可能都听过。本板仅提供给大家自由发挥,本站还有还有其它两款实验板可供大家选用

参考制作视频点击:
mini-2单片机学习开发板制作视频https://www.bilibili.com/video/

1、 本站不保证以上观点正确,就算是本站原创作品,本站也不保证内容正确。
2、如果您拥有本文版权,并且不想在本站转载,请书面通知本站立即删除并且向您公开道歉! 以上可能是本站收集或者转载的文章,本站可能没有文章中的元件或产品,如果您需要类似的商品请 点这里查看商品列表!
本站协议 | 版权信息 |  关于我们 |  本站地图 |  营业执照 |  发票说明 |  付款方式 |  联系方式
深圳市宝安区西乡五壹电子商行——粤ICP备16073394号-1;地址:深圳西乡河西四坊183号;邮编:518102
E-mail:51dz$163.com($改为@);Tel:(0755)27947428
工作时间:9:30-12:00和13:30-17:30和18:30-20:30,无人接听时可以再打手机13537585389